Миниатюрные шариковые подшипники с фланцами метрических серий являются типом подшипника, широко используемого в точной машине, особенно для оборудования с ограниченным пространством и высокопроизводительными требованиями. Такие подшипники обычно изготавливаются из высококачественных материалов, чтобы обеспечить их долговечность и стабильность. Его дизайн фланца обеспечивает дополнительную поддержку, облегчает установку, а также может эффективно снизить смещение подшипника во время работы. Ключевые особенности этого мини -шарикового подшипника включают низкий коэффициент трения, высокую скорость вращения и превосходную способность переноски нагрузки. Они подходят для различных приложений, таких как электроинструменты, роботы, принтеры и небольшие двигатели. С точки зрения дизайна, миниатюрные подшипники Flange Metric Series также обращают внимание на детали и обычно доступны в разных размерах и конфигурациях для удовлетворения потребностей различного оборудования. Подшипники обычно предварительно смазываются или запечатаны.
Параметры продукта
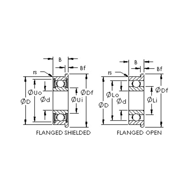
| Номер продукта | Тип подшипника | Размеры (мм) | Базовый рейтинг нагрузки (n) | |||||
| дюймовый | Дюймовый | Беременный | Дф | Бр | Динамическая нагрузка (CR) | Статическая нагрузка (COR) | ||
| F691 | Открытые фланцевые шариковые подшипники | 1 | 4 | 1.6 | 5 | 0.5 | 120 | 30 |
| MF41X | Открытые фланцевые шариковые подшипники | 1.2 | 4 | 1.8 | 4.8 | 0.4 | 95 | 26 |
| F681X | Открытые фланцевые шариковые подшипники | 1.5 | 4 | 1.2 | 5 | 0.4 | 95 | 26 |
| F681xzz | Запечатанные фланцевые шариковые подшипники | 1.5 | 4 | 2 | 5 | 0.6 | 95 | 26 |
| F691X | Открытые фланцевые шариковые подшипники | 1.5 | 5 | 2 | 6.5 | 0.6 | 144 | 40 |
| F691xzz | Запечатанные фланцевые шариковые подшипники | 1.5 | 5 | 2.6 | 6.5 | 0.8 | 144 | 40 |
| F601x | Открытые фланцевые шариковые подшипники | 1.5 | 6 | 2.5 | 7.5 | 0.6 | 281 | 79 |
| F601xzz | Запечатанные фланцевые шариковые подшипники | 1.5 | 6 | 3 | 7.5 | 0.8 | 281 | 79 |
| F682 | Открытые фланцевые шариковые подшипники | 2 | 5 | 1.5 | 6.1 | 0.5 | 144 | 40 |
| F682 2rs | Запечатанные фланцевые шариковые подшипники | 2 | 5 | 1.5 | 6.1 | 0.5 | 144 | 40 |
| F682zz | Запечатанные фланцевые шариковые подшипники | 2 | 5 | 2.3 | 6.1 | 0.6 | 144 | 40 |
| MF52 | Открытые фланцевые шариковые подшипники | 2 | 5 | 2 | 6.2 | 0.6 | 144 | 40 |
| MF52 2rs | Запечатанные фланцевые шариковые подшипники | 2 | 5 | 2 | 6.2 | 0.6 | 144 | 40 |
| Mf52zz | Запечатанные фланцевые шариковые подшипники | 2 | 5 | 2.5 | 6.2 | 0.6 | 144 | 40 |
| F692 | Открытые фланцевые шариковые подшипники | 2 | 6 | 2.3 | 7.5 | 0.6 | 281 | 79 |
| F692 2rs | Запечатанные фланцевые шариковые подшипники | 2 | 6 | 3 | 7.5 | 0.8 | 281 | 79 |
| F692zz | Запечатанные фланцевые шариковые подшипники | 2 | 6 | 3 | 7.5 | 0.8 | 281 | 79 |
| MF62 | Открытые фланцевые шариковые подшипники | 2 | 6 | 2.5 | 7.2 | 0.6 | 281 | 79 |
| MF62 2rs | Запечатанные фланцевые шариковые подшипники | 2 | 6 | 2.5 | 7.2 | 0.6 | 281 | 79 |
| Mf62zz | Запечатанные фланцевые шариковые подшипники | 2 | 6 | 2.5 | 7.2 | 0.6 | 281 | 79 |
| MF72 | Открытые фланцевые шариковые подшипники | 2 | 7 | 2.5 | 8.2 | 0.6 | 328 | 103 |
| MF72 2rs | Запечатанные фланцевые шариковые подшипники | 2 | 7 | 3 | 8.2 | 0.6 | 328 | 103 |
| Mf72zz | Запечатанные фланцевые шариковые подшипники | 2 | 7 | 3 | 8.2 | 0.6 | 328 | 103 |
| F602 | Открытые фланцевые шариковые подшипники | 2 | 7 | 2.8 | 8.5 | 0.7 | 328 | 103 |
| F602 2rs | Запечатанные фланцевые шариковые подшипники | 2 | 7 | 2.8 | 8.5 | 0.7 | 328 | 103 |
| F602zz | Запечатанные фланцевые шариковые подшипники | 2 | 7 | 3.5 | 8.5 | 0.9 | 328 | 103 |
| F682X | Открытые фланцевые шариковые подшипники | 2.5 | 6 | 1.8 | 7.1 | 0.5 | 178 | 59 |
| F682x 2rs | Запечатанные фланцевые шариковые подшипники | 2.5 | 6 | 1.8 | 7.1 | 0.5 | 178 | 59 |
| F682xzz | Запечатанные фланцевые шариковые подшипники | 2.5 | 6 | 2.6 | 7.1 | 0.8 | 178 | 59 |
| F692X | Открытые фланцевые шариковые подшипники | 2.5 | 7 | 2.5 | 8.5 | 0.7 | 328 | 103 |
| F692x 2rs | Запечатанные фланцевые шариковые подшипники | 2.5 | 7 | 3.5 | 8.5 | 0.9 | 328 | 103 |
| F692xzz | Запечатанные фланцевые шариковые подшипники | 2.5 | 7 | 3.5 | 8.5 | 0.9 | 328 | 103 |
| MF82X | Открытые фланцевые шариковые подшипники | 2.5 | 8 | 2.5 | 9.2 | 0.6 | 180 | 67 |
| MF82X 2rs | Запечатанные фланцевые шариковые подшипники | 2.5 | 8 | 2.5 | 9.2 | 0.6 | 180 | 67 |
| Mf82xzz | Запечатанные фланцевые шариковые подшипники | 2.5 | 8 | 2.5 | 9.2 | 0.6 | 180 | 67 |
| F602X | Открытые фланцевые шариковые подшипники | 2.5 | 8 | 2.8 | 9.5 | 0.7 | 469 | 142 |
| F602x 2rs | Запечатанные фланцевые шариковые подшипники | 2.5 | 8 | 4 | 9.5 | 0.9 | 469 | 142 |
| F602xzz | Запечатанные фланцевые шариковые подшипники | 2.5 | 8 | 4 | 9.5 | 0.9 | 469 | 142 |
| MF63 | Открытые фланцевые шариковые подшипники | 3 | 6 | 2 | 7.2 | 0.6 | 178 | 59 |
| MF63 2rs | Запечатанные фланцевые шариковые подшипники | 3 | 6 | 2 | 7.2 | 0.6 | 178 | 59 |
| Mf63zz | Запечатанные фланцевые шариковые подшипники | 3 | 6 | 2.5 | 7.2 | 0.6 | 178 | 59 |
| F683 | Открытые фланцевые шариковые подшипники | 3 | 7 | 2 | 8.1 | 0.5 | 264 | 90 |
| F683 2rs | Запечатанные фланцевые шариковые подшипники | 3 | 7 | 3 | 8.1 | 0.8 | 264 | 90 |
| F683zz | Запечатанные фланцевые шариковые подшипники | 3 | 7 | 3 | 8.1 | 0.8 | 264 | 90 |
| MF83 | Открытые фланцевые шариковые подшипники | 3 | 8 | 2.5 | 9.2 | 0.6 | 336 | 113 |
| MF83 2rs | Запечатанные фланцевые шариковые подшипники | 3 | 8 | 2.5 | 9.2 | 0.6 | 336 | 113 |
| Mf83zz | Запечатанные фланцевые шариковые подшипники | 3 | 8 | 3 | 9.2 | 0.6 | 336 | 113 |
| F693 | Открытые фланцевые шариковые подшипники | 3 | 8 | 3 | 9.5 | 0.7 | 474 | 114 |
| F693 2rs | Запечатанные фланцевые шариковые подшипники | 3 | 8 | 4 | 9.5 | 0.9 | 474 | 144 |
| F693zz | Запечатанные фланцевые шариковые подшипники | 3 | 8 | 4 | 9.5 | 0.9 | 474 | 144 |
| MF93 | Открытые фланцевые шариковые подшипники | 3 | 9 | 2.5 | 10.2 | 0.6 | 485 | 151 |
| MF93 2r | Запечатанные фланцевые шариковые подшипники | 3 | 9 | 2.5 | 10.2 | 0.6 | 485 | 151 |
| Mf93zz | Запечатанные фланцевые шариковые подшипники | 3 | 9 | 4 | 10.6 | 0.8 | 485 | 151 |
| F603 | Открытые фланцевые шариковые подшипники | 3 | 9 | 3 | 10.5 | 0.7 | 230 | 151 |
| F603 2rs | Запечатанные фланцевые шариковые подшипники | 3 | 9 | 5 | 10.5 | 0.7 | 230 | 151 |
| F603zz | Запечатанные фланцевые шариковые подшипники | 3 | 9 | 5 | 10.5 | 1 | 230 | 151 |
| F623 | Открытые фланцевые шариковые подшипники | 3 | 10 | 4 | 11.5 | 1 | 536 | 175 |
| F623 2rs | Запечатанные фланцевые шариковые подшипники | 3 | 10 | 4 | 11.5 | 1 | 536 | 175 |
| F623zz | Запечатанные фланцевые шариковые подшипники | 3 | 10 | 4 | 11.5 | 1 | 536 | 175 |
| MF74 | Открытые фланцевые шариковые подшипники | 4 | 7 | 2 | 8.2 | 0.6 | 264 | 92 |
| MF74 2rs | Запечатанные фланцевые шариковые подшипники | 4 | 7 | 2 | 8.2 | 0.6 | 264 | 92 |
| Mf74zz | Запечатанные фланцевые шариковые подшипники | 4 | 7 | 2.5 | 8.2 | 0.6 | 217 | 86 |
| MF84 | Открытые фланцевые шариковые подшипники | 4 | 8 | 2 | 9.2 | 0.6 | 336 | 113 |
| MF84 2rs | Запечатанные фланцевые шариковые подшипники | 4 | 8 | 2 | 9.2 | 0.6 | 336 | 113 |
| Mf84zz | Запечатанные фланцевые шариковые подшипники | 4 | 8 | 3 | 9.2 | 0.6 | 336 | 113 |
| F684 | Открытые фланцевые шариковые подшипники | 4 | 9 | 2.5 | 10.3 | 0.6 | 545 | 182 |
| F684 2rs | Запечатанные фланцевые шариковые подшипники | 4 | 9 | 4 | 10.3 | 1 | 545 | 182 |
| F684zz | Запечатанные фланцевые шариковые подшипники | 4 | 9 | 4 | 10.3 | 1 | 545 | 182 |
| MF104 | Открытые фланцевые шариковые подшипники | 4 | 10 | 3 | 11.2 | 0.6 | 604 | 218 |
| MF104 2rs | Запечатанные фланцевые шариковые подшипники | 4 | 10 | 4 | 11.6 | 0.8 | 604 | 218 |
| MF104zz | Запечатанные фланцевые шариковые подшипники | 4 | 10 | 4 | 11.6 | 0.8 | 604 | 218 |
| F694 | Открытые фланцевые шариковые подшипники | 4 | 11 | 4 | 12.5 | 1 | 814 | 280 |
| F694 2rs | Запечатанные фланцевые шариковые подшипники | 4 | 11 | 4 | 12.5 | 1 | 814 | 280 |
| F694zz | Запечатанные фланцевые шариковые подшипники | 4 | 11 | 4 | 12.5 | 1 | 814 | 280 |
| F604 | Открытые фланцевые шариковые подшипники | 4 | 12 | 4 | 13.5 | 1 | 814 | 280 |
| F604 2rs | Запечатанные фланцевые шариковые подшипники | 4 | 12 | 5 | 13.5 | 1 | 814 | 280 |
| F604zz | Запечатанные фланцевые шариковые подшипники | 4 | 12 | 5 | 13.5 | 1 | 814 | 280 |
| F624 | Открытые фланцевые шариковые подшипники | 4 | 13 | 5 | 15 | 1 | 1106 | 390 |
| F624 2rs | Запечатанные фланцевые шариковые подшипники | 4 | 13 | 5 | 15 | 1 | 1106 | 390 |
| F624zz | Запечатанные фланцевые шариковые подшипники | 4 | 13 | 5 | 15 | 1 | 1106 | 390 |
| F634 | Открытые фланцевые шариковые подшипники | 4 | 16 | 5 | 18 | 1 | 1139 | 418 |
| F634 2rs | Запечатанные фланцевые шариковые подшипники | 4 | 16 | 5 | 18 | 1 | 1139 | 418 |
| F634zz | Запечатанные фланцевые шариковые подшипники | 4 | 16 | 5 | 18 | 1 | 1139 | 418 |
| MF85 | Открытые фланцевые шариковые подшипники | 5 | 8 | 2 | 9.2 | 0.6 | 262 | 96 |
| MF85 2rs | Запечатанные фланцевые шариковые подшипники | 5 | 8 | 2.5 | 9.2 | 0.6 | 185 | 72 |
| Mf85zz | Запечатанные фланцевые шариковые подшипники | 5 | 8 | 2.5 | 9.2 | 0.6 | 185 | 72 |
| MF95 | Открытые фланцевые шариковые подшипники | 5 | 9 | 2.5 | 10.2 | 0.6 | 366 | 135 |
| MF95 2rs | Запечатанные фланцевые шариковые подшипники | 5 | 9 | 3 | 10.2 | 0.6 | 366 | 135 |
| Mf95zz | Запечатанные фланцевые шариковые подшипники | 5 | 9 | 3 | 10.2 | 0.6 | 366 | 135 |
| MF105 | Открытые фланцевые шариковые подшипники | 5 | 10 | 3 | 11.2 | 0.6 | 366 | 135 |
| MF105 2rs | Запечатанные фланцевые шариковые подшипники | 5 | 10 | 4 | 11.6 | 0.8 | 366 | 135 |
| MF105zz | Запечатанные фланцевые шариковые подшипники | 5 | 10 | 4 | 11.6 | 0.8 | 366 | 135 |
| MF115 2rs | Запечатанные фланцевые шариковые подшипники | 5 | 11 | 4 | 12.6 | 0.8 | 609 | 226 |
| MF115zz | Экранированные фланцевые шариковые подшипники | 5 | 11 | 4 | 12.6 | 0.8 | 609 | 226 |
| MF115 | Открытые фланцевые шариковые подшипники | 5 | 11 | 4 | 12.6 | 0.8 | 609 | 226 |
| F685 | Открытые фланцевые шариковые подшипники | 5 | 11 | 3 | 12.5 | 0.8 | 609 | 226 |
| F685 2rs | Запечатанные фланцевые шариковые подшипники | 5 | 11 | 5 | 12.5 | 1 | 609 | 226 |
| F685zz | Запечатанные фланцевые шариковые подшипники | 5 | 11 | 5 | 12.5 | 1 | 609 | 226 |
| F695 | Открытые фланцевые шариковые подшипники | 5 | 13 | 4 | 15 | 1 | 916 | 346 |
| F695 2rs | Запечатанные фланцевые шариковые подшипники | 5 | 13 | 4 | 15 | 1 | 916 | 346 |
| F695zz | Запечатанные фланцевые шариковые подшипники | 5 | 13 | 4 | 15 | 1 | 916 | 346 |
| F605 | Открытые фланцевые шариковые подшипники | 5 | 14 | 5 | 16 | 1 | 1130 | 406 |
| F605 2rs | Запечатанные фланцевые шариковые подшипники | 5 | 14 | 5 | 16 | 1 | 1130 | 406 |
| F605zz | Запечатанные фланцевые шариковые подшипники | 5 | 14 | 5 | 16 | 1 | 1130 | 406 |
| F625 | Открытые фланцевые шариковые подшипники | 5 | 16 | 5 | 18 | 1 | 1470 | 540 |
| F625 2rs | Запечатанные фланцевые шариковые подшипники | 5 | 16 | 5 | 18 | 1 | 1470 | 540 |
| F625zz | Запечатанные фланцевые шариковые подшипники | 5 | 16 | 5 | 18 | 1 | 1470 | 540 |
| F635 | Открытые фланцевые шариковые подшипники | 5 | 19 | 6 | 22 | 1.5 | 1986 | 717 |
| F635 2rs | Запечатанные фланцевые шариковые подшипники | 5 | 19 | 6 | 22 | 1.5 | 1986 | 717 |
| F635zz | Запечатанные фланцевые шариковые подшипники | 5 | 19 | 6 | 22 | 1.5 | 1986 | 717 |
| MF106 | Открытые фланцевые шариковые подшипники | 6 | 10 | 2.5 | 11.2 | 0.6 | 422 | 174 |
| MF106 2rs | Запечатанные фланцевые шариковые подшипники | 6 | 10 | 3 | 11.2 | 0.6 | 422 | 174 |
| MF106zz | Запечатанные фланцевые шариковые подшипники | 6 | 10 | 3 | 11.2 | 0.6 | 422 | 174 |
| MF126 | Открытые фланцевые шариковые подшипники | 6 | 12 | 3 | 13.2 | 0.6 | 609 | 236 |
| MF126 2rs | Запечатанные фланцевые шариковые подшипники | 6 | 12 | 4 | 13.6 | 0.8 | 609 | 236 |
| MF126zz | Запечатанные фланцевые шариковые подшипники | 6 | 12 | 4 | 13.6 | 0.8 | 609 | 236 |
| F686 | Открытые фланцевые шариковые подшипники | 6 | 13 | 3.5 | 15 | 1 | 920 | 354 |
| F686 2rs | Запечатанные фланцевые шариковые подшипники | 6 | 13 | 5 | 15 | 1.1 | 920 | 354 |
| F686zz | Запечатанные фланцевые шариковые подшипники | 6 | 13 | 5 | 15 | 1.1 | 920 | 354 |
| F696 | Открытые фланцевые шариковые подшипники | 6 | 15 | 5 | 17 | 1.2 | 1139 | 418 |
| F696 2rs | Запечатанные фланцевые шариковые подшипники | 6 | 15 | 5 | 17 | 1.2 | 1139 | 418 |
| F696zz | Запечатанные фланцевые шариковые подшипники | 6 | 15 | 5 | 17 | 1.2 | 1139 | 418 |
| F606 | Открытые фланцевые шариковые подшипники | 6 | 17 | 6 | 19 | 1.2 | 1924 | 677 |
| F606 2rs | Запечатанные фланцевые шариковые подшипники | 6 | 17 | 6 | 19 | 1.2 | 1924 | 677 |
| F606zz | Запечатанные фланцевые шариковые подшипники | 6 | 17 | 6 | 19 | 1.2 | 1924 | 677 |
| F626 | Открытые фланцевые шариковые подшипники | 6 | 19 | 6 | 22 | 1.5 | 1986 | 717 |
| F626 2rs | Запечатанные фланцевые шариковые подшипники | 6 | 19 | 6 | 22 | 1.5 | 1986 | 717 |
| F626zz | Запечатанные фланцевые шариковые подшипники | 6 | 19 | 6 | 22 | 1.5 | 1986 | 717 |
| MF117 | Открытые фланцевые шариковые подшипники | 7 | 11 | 2.5 | 12.2 | 0.6 | 387 | 162 |
| MF117 2rs | Запечатанные фланцевые шариковые подшипники | 7 | 11 | 3 | 12.2 | 0.6 | 387 | 162 |
| MF117zz | Запечатанные фланцевые шариковые подшипники | 7 | 11 | 3 | 12.2 | 0.6 | 387 | 162 |
| MF137 | Открытые фланцевые шариковые подшипники | 7 | 13 | 3 | 14.2 | 0.6 | 460 | 221 |
| MF137 2rs | Запечатанные фланцевые шариковые подшипники | 7 | 13 | 4 | 14.6 | 0.8 | 460 | 221 |
| MF137zz | Запечатанные фланцевые шариковые подшипники | 7 | 13 | 4 | 14.6 | 0.8 | 460 | 221 |
| F687 | Открытые фланцевые шариковые подшипники | 7 | 14 | 3.5 | 16 | 1 | 997 | 410 |
| F687 2rs | Запечатанные фланцевые шариковые подшипники | 7 | 14 | 5 | 16 | 1.1 | 997 | 410 |
| F687zz | Запечатанные фланцевые шариковые подшипники | 7 | 14 | 5 | 16 | 1.1 | 997 | 410 |
| F697 | Открытые фланцевые шариковые подшипники | 7 | 17 | 5 | 19 | 1.2 | 1364 | 575 |
| F697 2rs | Запечатанные фланцевые шариковые подшипники | 7 | 17 | 5 | 19 | 1.2 | 1364 | 575 |
| F697zz | Запечатанные фланцевые шариковые подшипники | 7 | 17 | 5 | 19 | 1.2 | 1364 | 575 |
| F607 | Открытые фланцевые шариковые подшипники | 7 | 19 | 6 | 22 | 1.5 | 1986 | 717 |
| F607 2rs | Запечатанные фланцевые шариковые подшипники | 7 | 19 | 6 | 22 | 1.5 | 1986 | 717 |
| F607zz | Запечатанные фланцевые шариковые подшипники | 7 | 19 | 6 | 22 | 1.5 | 1986 | 717 |
| F627 | Открытые фланцевые шариковые подшипники | 7 | 22 | 7 | 25 | 1.5 | 2794 | 1103 |
| F627 2rs | Запечатанные фланцевые шариковые подшипники | 7 | 22 | 7 | 25 | 1.5 | 2794 | 1103 |
| F627zz | Запечатанные фланцевые шариковые подшипники | 7 | 22 | 7 | 25 | 1.5 | 2794 | 1103 |
| MF128 | Открытые фланцевые шариковые подшипники | 8 | 12 | 2.5 | 13.2 | 0.6 | 462 | 219 |
| MF128 2rs | Запечатанные фланцевые шариковые подшипники | 8 | 12 | 3.5 | 13.6 | 0.8 | 462 | 219 |
| MF128zz | Запечатанные фланцевые шариковые подшипники | 8 | 12 | 3.5 | 13.6 | 0.8 | 462 | 219 |
| MF148 | Открытые фланцевые шариковые подшипники | 8 | 14 | 3.5 | 15.6 | 0.8 | 695 | 309 |
| MF148 2rs | Запечатанные фланцевые шариковые подшипники | 8 | 14 | 4 | 15.6 | 0.8 | 695 | 309 |
| MF148zz | Запечатанные фланцевые шариковые подшипники | 8 | 14 | 4 | 15.6 | 0.8 | 695 | 309 |
| F688 | Открытые фланцевые шариковые подшипники | 8 | 16 | 4 | 18 | 1 | 1064 | 474 |
| F688 2rs | Запечатанные фланцевые шариковые подшипники | 8 | 16 | 5 | 18 | 1.1 | 1064 | 474 |
| F688zz | Запечатанные фланцевые шариковые подшипники | 8 | 16 | 5 | 18 | 1.1 | 1064 | 474 |
| F698 | Открытые фланцевые шариковые подшипники | 8 | 19 | 6 | 22 | 1.5 | 1902 | 734 |
| F698 2rs | Запечатанные фланцевые шариковые подшипники | 8 | 19 | 6 | 22 | 1.5 | 1902 | 734 |
| F698zz | Запечатанные фланцевые шариковые подшипники | 8 | 19 | 6 | 22 | 1.5 | 1902 | 734 |
| F608 | Открытые фланцевые шариковые подшипники | 8 | 22 | 7 | 25 | 1.5 | 2799 | 1103 |
| F608 2rs | Запечатанные фланцевые шариковые подшипники | 8 | 22 | 7 | 25 | 1.5 | 2799 | 1103 |
| F608zz | Запечатанные фланцевые шариковые подшипники | 8 | 22 | 7 | 25 | 1.5 | 2799 | 1103 |
| F679 | Открытые фланцевые шариковые подшипники | 9 | 14 | 3 | 15.5 | 0.8 | 781 | 374 |
| F679 2rs | Запечатанные фланцевые шариковые подшипники | 9 | 14 | 4.5 | 15.5 | 0.8 | 781 | 374 |
| F679zz | Запечатанные фланцевые шариковые подшипники | 9 | 14 | 4.5 | 15.5 | 0.8 | 781 | 374 |
| F689 | Открытые фланцевые шариковые подшипники | 9 | 17 | 4 | 19 | 1 | 1128 | 534 |
| F689 2rs | Запечатанные фланцевые шариковые подшипники | 9 | 17 | 5 | 19 | 1.1 | 1128 | 534 |
| F689zz | Запечатанные фланцевые шариковые подшипники | 9 | 17 | 5 | 19 | 1.1 | 1128 | 534 |
| F699 | Открытые фланцевые шариковые подшипники | 9 | 20 | 6 | 23 | 1.5 | 2097 | 865 |
| F699 2rs | Запечатанные фланцевые шариковые подшипники | 9 | 20 | 6 | 23 | 1.5 | 2097 | 865 |
| F699zz | Запечатанные фланцевые шариковые подшипники | 9 | 20 | 6 | 23 | 1.5 | 2097 | 865 |
| F609 | Открытые фланцевые шариковые подшипники | 9 | 24 | 7 | 27 | 1.5 | 2853 | 1155 |
| F609 2rs | Запечатанные фланцевые шариковые подшипники | 9 | 24 | 7 | 27 | 1.5 | 2853 | 1155 |
| F609zz | Запечатанные фланцевые подшипники | 9 | 24 | 7 | 27 | 1.5 | 2853 | 1155 |
О компании Yinin
Применение в отрасли
Новости и информация
Связаться с нами
Технический консалтинг
Индивидуальные решения
Непрерывные НИОКР
Контроль качества
Техническая поддержка и обучение
Быстрый ответ
Если у вас есть какие-либо технические консультации или отзывы, мы предоставим вам самый профессиональный ответ как можно скорее!