30200 серия Конический ролик
30200 серия Конический ролик
30200 серия Конический ролик

30200 серия

Конический роликовый подшипник серии 30200-это высокопроизводительный подшипник, широко используемый в машине и автомобильной промышленности. Эта серия подшипников имеет конусные внутренние и внешние кольца и конструкции роликов, которые могут выдерживать радиальные и осевые нагрузки и адаптироваться к высокоскоростной работе и условиям тяжелой нагрузки. Размер серии 30200 обычно составляет от 10 до 100 мм в внутреннем диаметре и от 30 мм до 150 мм в внешнем диаметре. Он подходит для различного механического оборудования, такого как электродвигатели, коробки передач и промышленное оборудование. Коническая конструкция его емкости эффективно снижает трение и повышает операционную эффективность и долговечность. Эта серия подшипников использует высококачественные стальные и передовые производственные процессы для обеспечения превосходной производительности и надежного срока службы. Кроме того, серия 30200 может предоставить различные варианты герметизации и смазки в соответствии с потребностями клиента для удовлетворения требований конкретных сценариев приложения.

Отправить запрос

Параметры продукта

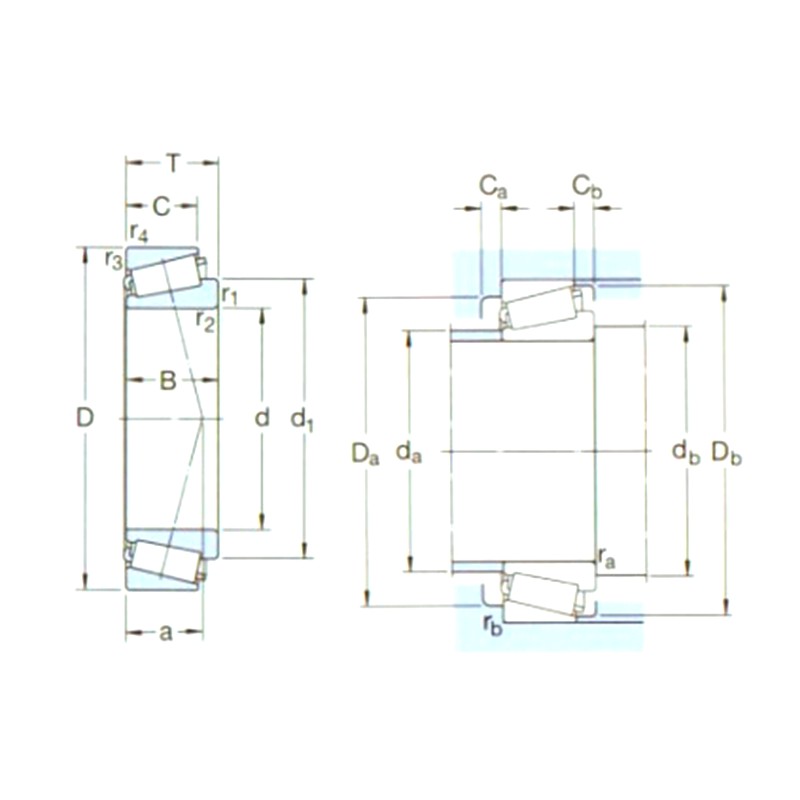
Обозначение Основные измерения (мм) Основные рейтинги нагрузки (KN) Пута Скорость рейтинга (обороты) Вес (кг) ISO335 Размеры (мм) Абатмент и измерения филе (мм) Ценить
Дюймовый1 D Беременный DУВ (CR) STC (COR) Скорость рейтинга Ограничивающая скорость Размеры (Абма) дюймовый D1 ~ Беременный C r1,2 (мин) 3,4 (мин) а да (макс) дБ (мин) DA (мин) Да (макс) ДБ (мин) CA (мин) CB (мин) ra (макс) RB (макс) эн Y Йо
30203J2 17 40 13,25 19 18,6 1,83 13000 18000 0,075 2 дБ 17 28 12 11 1 1 10 23 23 34 34 37 2 2 1 1 0,35 1,7 0,9
30204J2/Q. 20 47 15,25 32 28 3 12000 15000 0,12 2 дБ 20 33,2 14 12 1 1 11 27 26 40 41 43 2 3 1 1 0,35 1,7 0,9
30205J2/Q. 25 52 16,25 35,5 33,5 3,45 11000 13000 0,15 3CC 25 37,4 15 13 1 1 12 31 31 44 46 48 2 3 1 1 0,37 1,6 0,9
302/28J2 28 58 17,25 38 41,5 4,4 9000 12000 0,25 - 28 41,8 16 14 1 1 13 35 34 50 52 54 2 3 1 1 0,37 1,6 0,9
30206J2/Q. 30 62 17,25 46,5 44 4,8 9000 11000 0,23 3 дБ 30 44,6 16 14 1 1 14 38 36 53 56 57 2 3 1 1 0,37 1,6 0,9
30207J2/Q. 35 72 18,25 58,5 56 6,1 8000 9500 0,32 3 дБ 35 51,8 17 15 1,5 1,5 15 44 42 62 65 67 3 3 1,5 1,5 0,37 1,6 0,9
30208J2/Q. 40 80 19,75 71 68 7,65 7000 8500 0,42 3 дБ 40 57,5 18 16 1,5 1,5 16 49 47 69 73 74 3 3,5 1,5 1,5 0,37 1,6 0,9
30209J2/Q. 45 85 20,75 76,5 76,5 8,65 6300 8000 0,48 3 дБ 45 63 19 16 1,5 1,5 18 54 52 74 78 80 3 4,5 1,5 1,5 0,4 1,5 0,8
30210J2/Q. 50 90 21,75 86,5 91,5 10,4 6000 7500 0,54 3 дБ 50 67,9 20 17 1,5 1,5 19 58 57 79 83 85 3 4,5 1,5 1,5 0,43 1,4 0,8
30211J2/Q. 55 100 22,75 104 106 12 5300 6700 0,70 3 дБ 55 74,6 21 18 2 1,5 20 64 64 88 93 94 4 4,5 2 1,5 0,4 1,5 0,8
30212J2/Q. 60 110 23,75 112 114 13,2 5000 6000 0,88 3EB 60 81,5 22 19 2 1,5 22 70 68 96 103 103 4 4,5 2 1,5 0,4 1,5 0,8
30213J2/Q. 65 120 24,75 132 134 16,3 4500 5600 115 3EB 65 89 23 20 2 1,5 23 78 74 106 113 113 4 4,5 2 1,5 0,4 1,5 0,8
30214J2/Q. 70 125 26,25 125 156 18 4000 5300 1,25 3EB 70 93,9 24 21 2 1,5 25 82 78 110 115 118 4 5 2 1,5 0,43 1,4 0,8
30215J2/Q. 75 130 27,25 140 176 20,4 3800 5000 140 4 дБ 75 99,2 25 22 2 1,5 27 86 84 115 122 124 4 5 2 1,5 0,43 1,4 0,8
30216J2/Q. 80 140 28,25 151 183 21,2 3400 4800 1,60 3EB 80 105 26 22 2,5 2 28 92 90 124 130 132 4 6 2 2 0,43 1,4 0,8
30217J2/Q. 85 150 30,5 176 220 25,5 3200 4300 2,05 3EB 85 112 28 24 2,5 2 30 97 95 132 140 141 5 6,5 2 2 0,43 1,4 0,8
30218J2 90 160 32,5 194 245 28,5 3000 4000 2,55 3FB 90 118 30 26 2,5 2 31 104 101 140 150 150 5 6,5 2 2 0,43 1,4 0,8
30219J2 95 170 34,5 216 275 31,5 2800 3800 3,00 3FB 95 126 32 27 3 2,5 33 110 107 149 158 159 5 7,5 2,5 2 0,43 1,4 0,8
33020/Q. 100 150 39 224 390 41,5 3000 4000 2,40 2ce 100 122 39 32,5 2 1,5 29 109 108 135 142 143 7 6,5 2 1,5 0,3 2 1,1
30220J2 100 180 37 246 320 36 2800 3600 3,65 3FB 100 133 34 29 3 2,5 35 116 112 157 168 168 5 8 2,5 2 0,43 1,4 0,8
33021/Q. 105 160 43 246 430 45,5 2800 3800 3,05 2de 105 131 43 34 2,5 2 31 117 116 145 150 153 7 9 2 2 0,28 2,1 1,1
30221J2 105 190 39 270 355 40 2600 3400 4,25 3FB 105 141 36 30 3 2,5 37 123 117 165 178 177 6 9 2,5 2 0,43 1,4 0,8
33022 110 170 47 281 500 53 2600 3600 3,85 2de 110 139 47 37 2,5 2 34 123 121 152 160 161 7 10 2 2 0,28 2,1 1,1
30222J2 110 200 41 308 405 45 2400 3200 5,10 3FB 110 148 38 32 3 2,5 39 129 122 174 188 187 6 9 2,5 2 0,43 1,4 0,8
33024 120 180 48 292 540 56 2600 3400 4,20 2de 120 149 48 38 2,5 2 36 132 131 160 170 171 6 10 2 2 0,3 2 1,1
30224J2 120 215 43,5 341 465 49 2200 3000 6,15 4FB 120 161 40 34 3 2,5 43 141 132 187 203 201 6 9,5 2,5 2 0,43 1,4 0,8
30226J2 130 230 43,75 369 490 53 2000 2800 7,60 4FB 130 173 40 34 4 3 45 152 146 203 216 217 7 9,5 3 2,5 0,43 1,4 0,8
30228J2 140 250 45,75 418 570 58,5 1900 2600 8,65 4FB 140 186 42 36 4 3 47 164 156 219 236 234 7 9,5 3 2,5 0,43 1,4 0,8
30230 150 270 49 429 560 57 1800 2400 11,0 4ГБ 150 200 45 38 4 3 50 175 166 234 256 250 9 11 3 2,5 0,43 1,4 0,8
30232J2 160 290 52 528 735 72 1600 2200 13,0 4ГБ 160 214 48 40 4 3 54 189 176 252 275 269 8 12 3 2,5 0,43 1,4 0,8
30234J2 170 310 57 616 865 83 1500 2000 19,0 4ГБ 170 230 52 43 5 4 58 203 190 268 293 288 8 14 4 3 0,43 1,4 0,8
30236J2 180 320 57 583 815 80 1500 2000 20,0 4ГБ 180 239 52 43 5 4 61 211 200 278 303 297 9 14 4 3 0,44 1,35 0,8
30238J2 190 340 60 721 1000 95 1400 1800 24,0 4ГБ 190 254 55 46 5 4 63 224 210 298 323 318 9 14 4 3 0,43 1,4 0,8
30240J2 200 360 64 792 1120 106 1300 1700 25,0 4ГБ 200 268 58 48 5 4 68 237 220 315 343 336 9 16 4 3 0,43 1,4 0,8
30244J2 220 400 72 990 1400 129 1200 1600 40,0 - 220 294 65 54 5 4 74 259 242 348 383 371 10 18 4 3 0,43 1,4 0,8

О компании Yinin

Компания Shanghai Yinin Bearing and Transmission Company Основана в 2009 году, имеет более чем 20-летний опыт работы в области подшипников. Мы являемся китайским 30200 серия Конический ролик производителем и предоставляем Индивидуальные 30200 серия Конический ролик заводы. С 1999 года мы действуем как агент китайских производителей подшипников, экспортируя различные подшипники. Сегодня мы превратились в комплексную группу подшипников, интегрирующую продажи и производство.

Применение в отрасли

Подшипники также играют очень важную роль в сельскохозяйственной технике. Они используются для по...

Подшипники широко используются в автомобилях. Они являются ключевыми поддерживающими и вращающими...

Используется для поддержки, высоты, угла, соединения и вращающихся частей медицинского оборудован...

Используется для поддержки, вращения, моторных и компрессоров. Части бытовых приборов.

Используется для ротации и движения поддержки и направлять части оборудования для автоматизации

В конструкциях здания можно использовать подшипники для подключения различных структурных компоне...

В процессе производства продуктов питания и напитков необходимы насосы для транспортировки жидкос...

Подшипники используются в двигателях самолетов и космических кораблей для поддержки вращающихся к...

Новости и информация

Узнать больше

2026-02-26

Каковы критические различия между классами точности P6 ...
В мире высокоточной обработки с числовым программным управлением (ЧПУ) производительность 6000 шарикоподшипник имеет основополагающее значение для достижения субмикронной точности. В качеств...

2026-02-19

Технический анализ: каковы основные различия между ради...
В области высокоточного машиностроения выбор правильного материала для радиальные шарикоподшипники из нержавеющей стали – это решение, определяющее срок эксплуатации и безопасность вс...

2026-02-12

Необходим ли шарикоподшипник 6200 из нержавеющей стали ...
В области техники вращательного движения серия 6200 является одним из наиболее широко используемых радиальных шарикоподшипников благодаря своей универсальности и оптимизированной радиальной нагрузк...

Связаться с нами

SUBMIT

Технический консалтинг

  • Компания Shanghai Yinin Bearing and Transmission Company

    Индивидуальные решения

  • Компания Shanghai Yinin Bearing and Transmission Company

    Непрерывные НИОКР

  • Компания Shanghai Yinin Bearing and Transmission Company

    Контроль качества

  • Компания Shanghai Yinin Bearing and Transmission Company

    Техническая поддержка и обучение

  • Компания Shanghai Yinin Bearing and Transmission Company

    Быстрый ответ

Если у вас есть какие-либо технические консультации или отзывы, мы предоставим вам самый профессиональный ответ как можно скорее!

Связаться с нами