30300 серия Конический ролик
30300 серия Конический ролик
30300 серия Конический ролик

30300 серия

Конический роликовый подшипник серии 30300 представляет собой высокопроизводительный катящийся подшипник, широко используемый в промышленном механизме, автомобилях и тяжелом оборудовании. Эта серия подшипников принимает коническую конструкцию ролика, которая может выдерживать большие осевые и радиальные нагрузки, а также имеет высокую точность вращения и стойкость к износу. Его внутренняя структура оптимизирована для эффективного уменьшения трения и тепла, продлевая срок службы. Подшипники серии 30300 обычно изготавливаются из высококачественной сплавной стали, с тонкой обработкой поверхности и термической обработкой, чтобы улучшить их прочность и долговечность. Эта серия подшипников также обладает хорошей герметизированной производительностью, которая может эффективно предотвратить вторжение внешних загрязняющих веществ и адаптироваться к различным суровым рабочим средам.

Отправить запрос

Параметры продукта

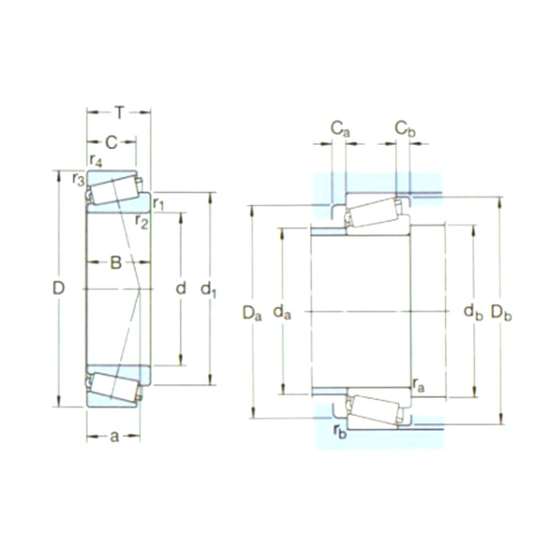
Обозначение Основные измерения (мм) Основные рейтинги нагрузки (KN) Пута Скорость рейтинга (обороты) Вес (кг) ISO335 Размеры (мм) Абатмент и измерения филе (мм) Ценить
Дюймовый1 D Беременный DУВ (CR) STC (COR) Скорость рейтинга Ограничивающая скорость Размеры (Абма) дюймовый D1 ~ Беременный C r1,2 (мин) 3,4 (мин) а да (макс) дБ (мин) DA (мин) Да (макс) ДБ (мин) CA (мин) CB (мин) ra (макс) RB (макс) эн Y Йо
30303J2 17 47 15,25 28,1 25 2,75 12000 16000 0,13 2FB 17 30,4 14 12 1 1 10 25 23 40 41 42 2 3 1 1 0,28 2,1 1,1
32303J2/Q. 17 47 20,25 40 33,5 3,65 12000 16000 0,17 2fd 17 30,7 19 16 1 1 12 24 23 39 41 43 3 4 1 1 0,28 2,1 1,1
30304J2/Q. 20 52 16,25 39 32,5 3,6 12000 14000 0,17 2FB 20 34,3 15 13 1,5 1,5 11 28 27 44 45 47 2 3 1,5 1,5 0,3 2 1,1
30305J2 25 62 18,25 44,6 43 4,75 9000 12000 0,26 2FB 25 41,5 17 15 1,5 1,5 13 34 32 54 55 57 2 3 1,5 1,5 0,3 2 1,1
30306J2/Q. 30 72 20,75 64 56 6,4 8000 10000 0,39 2FB 30 48,4 19 16 1,5 1,5 15 41 37 62 65 66 3 4,5 1,5 1,5 0,31 1,9 1,1
30307J2/Q. 35 80 22,75 83 73,5 8,3 7500 9000 0,52 2FB 35 54,5 21 18 2 1,5 16 46 44 70 71 74 3 4,5 2 1,5 0,31 1,9 1,1
30308J2/Q. 40 90 25,25 100 95 10,8 6300 8000 0,72 2FB 40 62,5 23 20 2 1,5 19 53 49 77 81 82 3 5 2 1,5 0,35 1,7 0,9
30309J2/Q. 45 100 27,25 125 120 14,3 5600 7000 0,97 2FB 45 70,1 25 22 2 1,5 21 59 53 86 91 92 3 5 2 1,5 0,35 1,7 0,9
30310J2/Q. 50 110 29,25 143 140 16,6 5300 6300 1,25 2FB 50 77,2 27 23 2,5 2 23 65 60 95 100 102 4 6 2 2 0,35 1,7 0,9
30311j2/q 55 120 31,5 166 163 19,3 4800 5600 155 2FB 55 84 29 25 2,5 2 24 71 65 104 112 111 4 6,5 2 2 0,35 1,7 0,9
30312J2/Q. 60 130 33,5 168 196 23,6 4000 5300 1,95 2FB 60 91,9 31 26 3 2,5 26 77 72 112 118 120 5 7,5 2,5 2 0,35 1,7 0,9
30313J2/Q. 65 140 36 194 228 27,5 3600 4800 2,40 2 ГБ 65 98,6 33 28 3 2,5 28 84 77 122 128 130 5 8 2,5 2 0,35 1,7 0,9
30314J2/Q. 70 150 38 220 260 31 3400 4500 2,90 2 ГБ 70 105 35 30 3 2,5 29 90 82 130 138 140 5 8 2,5 2 0,35 1,7 0,9
30315J2/Q. 75 160 40 246 290 34 3200 4300 3,45 2 ГБ 75 112 37 31 3 2,5 31 96 87 139 148 149 5 9 2,5 2 0,35 1,7 0,9
30316J2 80 170 42,5 270 320 38 3000 4300 4,10 2 ГБ 80 120 39 33 3 2,5 33 102 92 148 158 159 5 9,5 2,5 2 0,35 1,7 0,9
30317J2 85 180 44,5 303 365 40,5 2800 4000 4,85 2 ГБ 85 126 41 34 4 3 35 107 99 156 166 167 6 10,5 3 2,5 0,35 1,7 0,9
30318J2 90 190 46,5 330 400 44 2600 4000 5,65 2 ГБ 90 132 43 36 4 3 36 113 105 165 176 176 6 10,5 3 2,5 0,35 1,7 0,9
30319 95 200 49,5 330 390 42,5 2600 3400 6,70 2 ГБ 95 139 45 38 4 3 39 118 110 172 186 184 6 11,5 3 2,5 0,35 1,7 0,9
30320J2 100 215 51,5 402 490 53 2400 3200 8,05 2 ГБ 100 148 47 39 4 3 40 127 115 184 201 197 6 12,5 3 2,5 0,35 1,7 0,9
30322J2 110 240 54,5 473 585 62 2200 2800 11,0 2 ГБ 110 165 50 42 4 3 43 142 125 206 226 220 8 12,5 3 2,5 0,35 1,7 0,9
30324J2 120 260 59,5 561 710 73,5 2000 2600 14,0 2 ГБ 120 178 55 46 4 3 47 153 135 221 245 237 7 13,5 3 2,5 0,35 1,7 0,9
30326J2 130 280 63,75 627 800 83 1800 2400 17,0 2 ГБ 130 196 58 49 5 4 51 164 150 239 263 255 8 14,5 4 3 0,35 1,7 0,9
33030 150 225 59 457 865 86,5 2000 2600 8,15 2EE 150 188 59 46 3 2,5 48 164 162 200 213 217 8 13 2,5 2 0,37 1,6 0,9
30332J2 160 340 75 913 1180 114 1500 2000 29,0 2 ГБ 160 233 68 58 5 4 61 201 180 290 323 310 9 17 4 3 0,35 1,7 0,9
30352J2 260 540 113 2120 3050 250 850 1200 110 - 260 376 102 85 6 6 97 325 286 461 514 493 15 28 5 5 0,35 1,7 0,9

О компании Yinin

Компания Shanghai Yinin Bearing and Transmission Company Основана в 2009 году, имеет более чем 20-летний опыт работы в области подшипников. Мы являемся китайским 30300 серия Конический ролик производителем и предоставляем Индивидуальные 30300 серия Конический ролик заводы. С 1999 года мы действуем как агент китайских производителей подшипников, экспортируя различные подшипники. Сегодня мы превратились в комплексную группу подшипников, интегрирующую продажи и производство.

Применение в отрасли

Подшипники также играют очень важную роль в сельскохозяйственной технике. Они используются для по...

Подшипники широко используются в автомобилях. Они являются ключевыми поддерживающими и вращающими...

Используется для поддержки, высоты, угла, соединения и вращающихся частей медицинского оборудован...

Используется для поддержки, вращения, моторных и компрессоров. Части бытовых приборов.

Используется для ротации и движения поддержки и направлять части оборудования для автоматизации

В конструкциях здания можно использовать подшипники для подключения различных структурных компоне...

В процессе производства продуктов питания и напитков необходимы насосы для транспортировки жидкос...

Подшипники используются в двигателях самолетов и космических кораблей для поддержки вращающихся к...

Новости и информация

Узнать больше

2026-02-26

Каковы критические различия между классами точности P6 ...
В мире высокоточной обработки с числовым программным управлением (ЧПУ) производительность 6000 шарикоподшипник имеет основополагающее значение для достижения субмикронной точности. В качеств...

2026-02-19

Технический анализ: каковы основные различия между ради...
В области высокоточного машиностроения выбор правильного материала для радиальные шарикоподшипники из нержавеющей стали – это решение, определяющее срок эксплуатации и безопасность вс...

2026-02-12

Необходим ли шарикоподшипник 6200 из нержавеющей стали ...
В области техники вращательного движения серия 6200 является одним из наиболее широко используемых радиальных шарикоподшипников благодаря своей универсальности и оптимизированной радиальной нагрузк...

Связаться с нами

SUBMIT

Технический консалтинг

  • Компания Shanghai Yinin Bearing and Transmission Company

    Индивидуальные решения

  • Компания Shanghai Yinin Bearing and Transmission Company

    Непрерывные НИОКР

  • Компания Shanghai Yinin Bearing and Transmission Company

    Контроль качества

  • Компания Shanghai Yinin Bearing and Transmission Company

    Техническая поддержка и обучение

  • Компания Shanghai Yinin Bearing and Transmission Company

    Быстрый ответ

Если у вас есть какие-либо технические консультации или отзывы, мы предоставим вам самый профессиональный ответ как можно скорее!

Связаться с нами