32200 серия Конический ролик
32200 серия Конический ролик
32200 серия Конический ролик

32200 серия

Конические роликовые подшипники 32200 серии являются важным типом подшипника, широко используемых в промышленном и механическом оборудовании. Особенность конструкции этой серии подшипников заключается в том, что контактные поверхности внутренних и внешних колец коничны, что позволяет им выдерживать большие радиальные и осевые нагрузки и подходит для работы при высокой нагрузке и высокоскоростных условиях. Подшипники серии 32200 обычно изготавливаются из высококачественных сплавных стальных материалов и имеют хорошую износостойкость и устойчивость к усталости, продлевая срок службы. Его основные области применения включают автомобили, машины, горнодобывающее оборудование и другие тяжелые машины. Стандартизированный размер и дизайн серии позволяет легко установить и заменить, обеспечивая удобство для обслуживания и управления оборудованием.

Отправить запрос

Параметры продукта

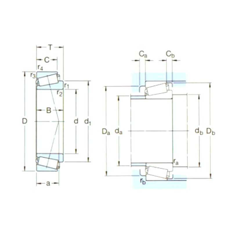
Обозначение Основные измерения (мм) Основные рейтинги нагрузки (KN) Пута Скорость рейтинга (обороты) Вес (кг) ISO335 Размеры (мм) Абатмент и измерения филе (мм) Ценить
Дюймовый1 D Беременный DУВ (CR) STC (COR) Скорость рейтинга Ограничивающая скорость Размеры (Абма) дюймовый D1 ~ Беременный C r1,2 (мин) 3,4 (мин) а да (макс) дБ (мин) DA (мин) Да (макс) ДБ (мин) CA (мин) CB (мин) ra (макс) RB (макс) эн Y Йо
32205BJ2/Q. 25 52 19,25 41,5 44 4,65 10000 13000 0,19 5CD 25 40,2 18 15 1 1 16 30 31 41 46 50 3 4 1 1 0,57 1,05 0,6
322/28BJ2/Q. 28 58 20,25 48 50 5,5 9500 12000 0,25 5dd 28 43,9 19 16 1 1 17 33 34 46 52 55 3 4 1 1 0,57 1,05 0,6
32206J2/Q. 30 62 21,25 58,5 57 6,3 9000 11000 0,28 3DC 30 45,2 20 17 1 1 15 37 36 52 56 58 3 4 1 1 0,37 1,6 0,9
32206BJ2/QCL7CVA606 30 62 21,25 56 58,5 6,55 9000 11000 0,30 5dc 30 47,3 20 17 1 1 18 36 36 50 56 60 3 4 1 1 0,57 1,05 0,6
32207J2/Q. 35 72 24,25 76,5 78 8,5 8000 9500 0,43 3DC 35 52,4 23 19 1,5 1,5 17 43 42 61 65 67 3 5 1,5 1,5 0,37 1,6 0,9
32208J2/Q. 40 80 24,75 85 86,5 9,8 7000 8500 0,53 3DC 40 58,4 23 19 1,5 1,5 19 49 47 68 73 75 3 5,5 1,5 1,5 0,37 1,6 0,9
32208BJ2/Q. 40 80 24,75 86,5 93 10,8 6700 8500 0,52 5dc 40 60,9 23 19 1,5 1,5 22 49 47 65 73 76 4 5,5 1,5 1,5 0,54 1,1 0,6
32209J2/Q. 45 85 24,75 91,5 98 11 6300 8000 0,58 3DC 45 64 23 19 1,5 1,5 20 54 52 73 78 80 3 5,5 1,5 1,5 0,4 1,5 0,8
32210/45BJ2/QVB022 45 90 24,75 95 104 12,2 6000 8000 0,65 - 45 68,5 23 19 1,5 0,3 21 58 52 78 87 85 3 5,5 1,5 0,3 0,6 1 0,6
32210J2/Q. 50 90 24,75 95 100 11,4 6000 7500 0,61 3DC 50 68,5 23 19 1,5 1,5 21 58 57 78 83 85 3 5,5 1,5 1,5 0,43 1,4 0,8
32211J2/Q. 55 100 26,75 106 129 15 5000 6700 0,83 3DC 55 75,2 25 21 2 1,5 22 64 64 87 93 95 4 5,5 2 1,5 0,4 1,5 0,8
32212J2/Q. 60 110 29,75 146 160 18,6 5000 6000 115 3EC 60 81,9 28 24 2 1,5 24 69 68 95 103 104 4 5,5 2 1,5 0,4 1,5 0,8
32212BJ2/Q. 60 110 29,75 140 156 19 4800 6000 115 - 60 85,7 28 21 2 1,5 28 69 98 93 103 105 5 8,5 2 1,5 0,57 1,05 0,6
32213J2/Q. 65 120 32,75 151 193 22,8 4000 5600 1,50 3EC 65 90,3 31 27 2 1,5 27 76 74 104 113 115 4 5,5 2 1,5 0,4 1,5 0,8
32214J2/Q. 70 125 33,25 157 208 24,5 3800 5300 1,60 3EC 70 95 31 27 2 1,5 28 80 78 108 115 119 4 6 2 1,5 0,43 1,4 0,8
32215J2/Q. 75 130 33,25 161 212 24,5 3600 5000 1,70 4dc 75 100 31 27 2 1,5 29 85 84 114 122 125 4 6 2 1,5 0,43 1,4 0,8
32216J2/Q. 80 140 35,25 187 245 28,5 3400 4500 2,05 3EC 80 106 33 28 2,5 2 30 91 90 122 130 134 5 7 2 2 0,43 1,4 0,8
32217J2/Q. 85 150 38,5 212 285 33,5 3200 4300 2,60 3EC 85 113 36 30 2,5 2 33 97 95 130 140 142 5 8,5 2 2 0,43 1,4 0,8
32218J2/Q. 90 160 42,5 251 340 38 3000 4000 3,35 3fc 90 121 40 34 2,5 2 36 102 101 138 150 152 5 8,5 2 2 0,43 1,4 0,8
32219J2 95 170 45,5 281 390 43 2800 3800 4,05 3fc 95 128 43 37 3 2,5 39 109 107 145 158 161 5 8,5 2,5 2 0,43 1,4 0,8
32220J2 100 180 49 319 440 48 2600 3600 4,90 3fc 100 135 46 39 3 2,5 41 115 112 154 168 171 5 10 2,5 2 0,43 1,4 0,8
32221J2 105 190 53 358 510 55 2600 3400 6,00 3fc 105 143 50 43 3 2,5 44 120 117 161 178 180 6 10 2,5 2 0,43 1,4 0,8
32222J2 110 200 56 402 570 61 2400 3200 7,10 3fc 110 151 53 46 3 2,5 46 127 122 170 188 190 6 10 2,5 2 0,43 1,4 0,8
32322 110 240 84,5 627 830 86,5 1900 2800 17,0 2gd 110 168 80 65 4 3 55 137 125 198 226 222 9 19,5 3 2,5 0,35 1,7 0,9
32224J2 120 215 61,5 468 695 72 2200 3000 9,15 4fd 120 163 58 50 3 2,5 51 137 132 181 203 204 7 11,5 2,5 2 0,43 1,4 0,8
32226J2 130 230 67,75 550 830 85 2000 2800 11,5 4fd 130 176 64 54 4 3 56 146 146 193 216 219 7 13,5 3 2,5 0,43 1,4 0,8
32228J2 140 250 71,75 644 1000 100 1900 2600 14,5 4fd 140 191 68 58 4 3 60 159 156 210 236 238 8 13,5 3 2,5 0,43 1,4 0,8
32230J2 150 270 77 737 1140 112 1700 2400 17,5 4gd 150 205 73 60 4 3 64 171 166 226 256 254 8 17 3 2,5 0,43 1,4 0,8
32232J2 160 290 84 880 1400 132 1600 2200 25,5 4gd 160 221 80 67 4 3 70 183 176 242 275 274 10 17 3 2,5 0,43 1,4 0,8
32234J2 170 310 91 1010 1630 150 1500 2000 28,5 4gd 170 237 86 71 5 4 75 196 190 259 293 294 10 20 4 3 0,43 1,4 0,8
32236J2 180 320 91 1010 1630 150 1400 1900 29,5 4gd 180 247 86 71 5 4 78 204 200 267 303 303 10 20 4 3 0,44 1,35 0,8
32240J2 200 360 104 1210 2000 180 1300 1700 42,5 3GD 200 274 98 82 5 4 83 231 220 302 343 340 11 22 4 3 0,4 1,5 0,8
32244J2 220 400 114 1610 2700 232 1100 1500 60,0 - 220 306 108 90 5 4 95 253 242 334 383 379 13 24 4 3 0,43 1,4 0,8
32248J3 240 440 127 1790 3350 275 1000 1400 83,5 - 240 346 120 100 5 4 105 290 262 365 420 415 13 27 4 3 0,43 1,4 0,8
32252J2/HA1 260 480 137 2200 3650 300 900 1200 105 - 260 366 130 106 6 5 112 303 286 401 458 454 16 31 5 4 0,43 1,4 0,8
32260J2/HA1 300 540 149 2750 4750 365 800 1100 140 - 300 413 140 115 6 5 126 343 326 453 518 511 17 34 5 4 0,43 1,4 0,8

О компании Yinin

Компания Shanghai Yinin Bearing and Transmission Company Основана в 2009 году, имеет более чем 20-летний опыт работы в области подшипников. Мы являемся китайским 32200 серия Конический ролик производителем и предоставляем Индивидуальные 32200 серия Конический ролик заводы. С 1999 года мы действуем как агент китайских производителей подшипников, экспортируя различные подшипники. Сегодня мы превратились в комплексную группу подшипников, интегрирующую продажи и производство.

Применение в отрасли

Подшипники также играют очень важную роль в сельскохозяйственной технике. Они используются для по...

Подшипники широко используются в автомобилях. Они являются ключевыми поддерживающими и вращающими...

Используется для поддержки, высоты, угла, соединения и вращающихся частей медицинского оборудован...

Используется для поддержки, вращения, моторных и компрессоров. Части бытовых приборов.

Используется для ротации и движения поддержки и направлять части оборудования для автоматизации

В конструкциях здания можно использовать подшипники для подключения различных структурных компоне...

В процессе производства продуктов питания и напитков необходимы насосы для транспортировки жидкос...

Подшипники используются в двигателях самолетов и космических кораблей для поддержки вращающихся к...

Новости и информация

Узнать больше

2026-03-26

Каковы структурные преимущества использования радиально...
В высокоточном машиностроении выбор между интегрированными компонентами и модульными сборками часто определяет предельную стабильность системы. Для вращательных применений, требующих высокой жестко...

2026-03-19

Почему ваш шарикоподшипник 6000 перегревается и как опт...
В области прецизионных вращающихся машин 6000 шарикоподшипник это универсальный компонент, популярный благодаря своей способности выдерживать как радиальные, так и осевые нагрузки при...

2026-03-12

Почему радиальные шарикоподшипники из пищевой нержавеющ...
В условиях производства продуктов питания и напитков, где ставки высоки, механическая надежность и биологическая безопасность неразделимы. Выбор радиальные шарикоподшипники из нержавеющей стали...

Связаться с нами

SUBMIT

Технический консалтинг

  • Компания Shanghai Yinin Bearing and Transmission Company

    Индивидуальные решения

  • Компания Shanghai Yinin Bearing and Transmission Company

    Непрерывные НИОКР

  • Компания Shanghai Yinin Bearing and Transmission Company

    Контроль качества

  • Компания Shanghai Yinin Bearing and Transmission Company

    Техническая поддержка и обучение

  • Компания Shanghai Yinin Bearing and Transmission Company

    Быстрый ответ

Если у вас есть какие-либо технические консультации или отзывы, мы предоставим вам самый профессиональный ответ как можно скорее!

Связаться с нами