Серия 32300 Конический ролик
Серия 32300 Конический ролик
Серия 32300 Конический ролик

Серия 32300

Конические роликоподшипники серии 32300 — это разъемные подшипники высокой грузоподъемности, предназначенные для одновременного восприятия значительных радиальных и осевых нагрузок. Эта серия отличается крутой внутренней геометрией, при которой углы контакта внутренней дорожки качения (конус), внешней дорожки качения (чашка) и конических роликов сходятся в общей вершине на оси подшипника. Эта особая конструкция обеспечивает истинное движение качения и низкое трение во время работы. Серия 32300, изготовленная из хромистой стали высокой чистоты, отличается большим поперечным сечением и увеличенным диаметром роликов по сравнению со стандартной серией, что обеспечивает повышенную несущую способность и жесткость конструкции. Эти подшипники обычно устанавливаются парами для достижения двунаправленного осевого ограничения, что делает их основными компонентами тяжелых механических передач и узлов мостов транспортных средств.

Отправить запрос

Технические характеристики и профиль производительности: Конические роликоподшипники серии 32300

Основные технические преимущества

  • Комбинированное управление нагрузкой: Разработан для поддержки больших тяговых и радиальных сил за счет оптимизированного конические углы контакта .
  • Разделяемые компоненты: Чашка и узел конуса (ролики и сепаратор) монтируются независимо, что упрощает техническое обслуживание и точная регулировка зазора .
  • Высокая стабильность размеров: Специализированные процессы термообработки обеспечивают сохранение подшипником своих свойств. геометрические допуски в условиях переменного теплового режима.
  • Низкое эксплуатационное трение: Прецизионно отшлифованные дорожки качения сводят к минимуму шероховатость поверхности, снижая крутящий момент и тепловыделение во время работы. высокоскоростное вращение .

Технические характеристики

Спецификация материала Высокоуглеродистая хромистая подшипниковая сталь GCr15
Материал клетки Прессованная сталь/обработанная латунь (зависит от применения)
Прецизионный класс P0 (нормальный), P6, P5
Тип загрузки Однонаправленный Осевой Высокий Радиальный
Температурный диапазон От -30°C до 120°C (стандартная смазка)

Основные сценарии применения

  • Автомобильные силовые агрегаты: Ступицы колес тяжелых грузовиков, дифференциалы и системы передачи.
  • Промышленное оборудование: Основные компоненты в редукторы коробки передач , прокатные станы и горнодобывающее оборудование.
  • Строительное оборудование: Интегрируется в агрегаты бортовых передач экскаваторов и бульдозеров, требующих устойчивость к ударным нагрузкам .
  • Сельскохозяйственная инженерия: Шарниры и приводные валы тракторов и уборочной техники подвергаются высоким нагрузкам.

Протоколы установки и обслуживания

Хранение и обращение

Подшипники следует хранить в чистом, сухом помещении с постоянная температура для предотвращения конденсации влаги. Исходное защитное смазочное покрытие должно оставаться неповрежденным; не удаляйте антикоррозийная упаковка до момента установки. Избегайте вертикального штабелирования за пределами указанной высоты, чтобы предотвратить эллиптическая деформация колец.

Меры предосторожности при использовании

  • Регулировка осевого зазора: Во время сборки, эндплей или предварительная загрузка должны быть точно настроены в соответствии со спецификациями производителя, чтобы избежать преждевременной усталости или перегрева.
  • Контроль загрязнения: Убедитесь, что корпус и вал не содержат абразивных частиц; использовать совместимые уплотнения для поддержания чистоты смазки на открытом воздухе или в пыльной среде.
  • Выбор смазки: Использование Присадки для противозадирных нагрузок (EP) в смазках для применений, связанных с тяжелыми ударными нагрузками, для поддержания достаточной масляной пленки между роликами и дорожками качения.
  • Проверка выравнивания: Обеспечить соосность вала к корпусу находится в заданных пределах, чтобы предотвратить краевую нагрузку на конические ролики.

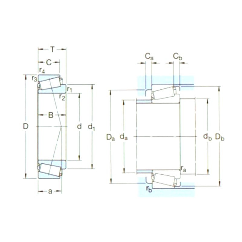
Параметры продукта

Обозначение Основные размеры (мм) Базовая грузоподъемность (кН) Пу Номинальные скорости (об/мин) Вес (кг) ISO335 Размеры (мм) Размеры абатмента и галтели (мм) Значение
д1 Д Б dyc(Сr) стк(Кор) Рейтинги скорости Ограничение скорости Дimensions (ABMA) d д1~ Б C r1,2(мин) r3,4(мин) а да(макс) дБ(мин) Дa(min) Дa(max) Дb(min) Са (мин) Сб(мин) ра(макс) руб.(макс.) е Да Даo
32303J2/К 17 47 20,25 40 33,5 3,65 12000 16000 0,17 2ФД 17 30,7 19 16 1 1 12 24 23 39 41 43 3 4 1 1 0,28 2,1 1,1
32304J2/К 20 52 22,25 51 45,5 5 12000 14000 0,23 2ФД 20 34,5 21 18 1,5 1,5 14 27 27 43 45 47 3 4 1,5 1,5 0,3 2 1,1
32305J2 25 62 25,25 60,5 63 7,1 8000 12000 0,36 2ФД 25 41,7 24 20 1,5 1,5 15 33 32 52 55 57 3 5 1,5 1,5 0,3 2 1,1
32306J2/К 30 72 28,75 88 85 9,65 7500 10000 0,55 2ФД 30 48,7 27 23 1,5 1,5 18 39 37 59 65 66 3 5,5 1,5 1,5 0,31 1,9 1,1
32307J2/К 35 80 32,75 95,2 106 12,2 6700 9000 0,73 2ФЭ 35 54,8 31 25 2 1,5 20 44 44 66 71 74 4 7,5 2 1,5 0,31 1,9 1,1
32307BJ2/К 35 80 32,75 93,5 114 13,2 6300 8500 0,80 5ФЭ 35 59,3 31 25 2 1,5 24 42 44 61 71 76 4 7,5 2 1,5 0,54 1,1 0,6
32307/37BJ2/К 37 80 32,75 93,5 114 13,2 6300 8500 0,85 - 37 54,8 31 25 2 1,5 20 44 44 66 71 74 4 7,5 2 1,5 0,54 1,1 0,6
32308J2/К 40 90 35,25 117 140 16 5300 8000 1,00 2ФД 40 62,9 33 27 2 1,5 23 51 49 73 81 82 3 8 2 1,5 0,35 1,7 0,9
32309J2/К 45 100 38,25 140 170 20,4 4800 7000 1,35 2ФД 45 70,4 36 30 2 1,5 25 57 53 82 91 93 4 8 2 1,5 0,35 1,7 0,9
32309BJ2/QCL7C 45 100 38,25 156 176 20 5000 6700 1,45 5ФД 45 74,8 36 30 2 1,5 30 55 53 76 91 94 5 8 2 1,5 0,54 1,1 0,6
32310J2/К 50 110 42,25 172 212 24 4300 6300 1,80 2ФД 50 77,7 40 33 2,5 2 27 63 60 90 100 102 5 9 2 2 0,35 1,7 0,9
32310ТН9 50 110 42,25 172 212 24 4300 6300 1,80 2ФД 50 77,7 40 33 2,5 2 27 63 60 90 100 102 5 9 2 2 0,35 1,7 0,9
32310BJ2/QCL7C 50 110 42,25 183 216 24,5 4500 6000 1,85 5ФД 50 82,9 40 33 2,5 2 34 62 60 83 100 103 5 9 2 2 0,54 1,1 0,6
32311J2 55 120 45,5 198 250 28,5 4000 5600 2,30 2ФД 55 84,6 43 35 2,5 2 29 68 65 99 112 111 5 10,5 2 2 0,35 1,7 0,9
32311BJ2/QCL7C 55 120 45,5 216 260 30 4300 5600 2,50 5ФД 55 90,5 43 35 2,5 2 36 67 65 91 112 112 5 10,5 2 2 0,54 1,1 0,6
32312J2/К 60 130 48,5 229 290 34 3600 5300 2,85 2ФД 60 91,7 46 37 3 2,5 31 74 72 107 118 120 6 11,5 2,5 2 0,35 1,7 0,9
32312BJ2/QCL7C 60 130 48,5 255 305 35,5 3800 5000 2,80 5ФД 60 98,1 46 37 3 2,5 38 73 72 99 118 122 6 11,5 2,5 2 0,54 1,1 0,6
32313J2/К 65 140 51 264 335 40 3400 4800 3,45 2ГД 65 99,2 48 39 3 2,5 33 80 77 117 128 130 6 12 2,5 2 0,35 1,7 0,9
32313BJ2/QU4CL7CVQ267 65 140 51 285 345 40,5 3600 4800 3,35 5ГД 65 105 48 39 3 2,5 41 79 77 107 128 131 6 12 2,5 2 0,54 1,1 0,6
32314J2/К 70 150 54 297 380 45 3200 4500 4,30 2ГД 70 106 51 42 3 2,5 36 86 82 125 138 140 6 12 2,5 2 0,35 1,7 0,9
32314BJ2/QCL7C 70 150 54 325 400 46,5 3400 4300 4,25 5ГД 70 113 51 42 3 2,5 44 85 82 115 138 141 7 12 2,5 2 0,54 1,1 0,6
32315J2 75 160 58 336 440 51 3000 4300 5,20 2ГД 75 113 55 45 3 2,5 38 92 87 133 148 149 7 13 2,5 2 0,35 1,7 0,9
32315BJ2/QCL7C 75 160 58 380 475 55 3200 4000 5,55 5ГД 75 120 55 45 3 2,5 46 90 87 124 148 151 7 13 2,5 2 0,54 1,1 0,6
32316J2 80 170 61,5 380 500 57 3000 4300 6,20 2ГД 80 120 58 48 3 2,5 41 98 92 142 158 159 7 13,5 2,5 2 0,35 1,7 0,9
32317J2 85 180 63,5 402 530 60 2800 4000 6,85 2ГД 85 126 60 49 4 3 42 103 99 150 166 167 7 14,5 3 2,5 0,35 1,7 0,9
32317BJ2 85 180 63,5 391 560 62 2800 4000 7,50 5ГД 85 135 60 49 4 3 52 102 99 138 166 169 7 14,5 3 2,5 0,54 1,1 0,6
32318J2 90 190 67,5 457 610 67 2600 4000 8,40 2ГД 90 133 64 53 4 3 44 109 105 157 176 177 7 14,5 3 2,5 0,35 1,7 0,9
32319J2 95 200 71,5 501 670 72 2400 3400 11,0 2ГД 95 141 67 55 4 3 47 115 110 166 186 186 8 16,5 3 2,5 0,35 1,7 0,9
32320J2 100 215 77,5 572 780 83 2200 3000 12,5 2ГД 100 151 73 60 4 3 51 123 115 177 201 200 8 17,5 3 2,5 0,35 1,7 0,9
32321J2 105 225 81,5 605 815 85 2000 3000 14,5 2ГД 105 158 77 63 4 3 53 129 120 185 211 209 9 18,5 3 2,5 0,35 1,7 0,9
32322 110 240 84,5 627 830 86,5 1900 2800 17,0 2ГД 110 168 80 65 4 3 55 137 125 198 226 222 9 19,5 3 2,5 0,35 1,7 0,9
32324J2 120 260 90,5 792 1120 110 1800 2600 21,5 2ГД 120 181 86 69 4 3 60 148 135 213 245 239 9 21,5 3 2,5 0,35 1,7 0,9

О компании Yinin

Компания Shanghai Yinin Bearing and Transmission Company Основана в 2009 году, имеет более чем 20-летний опыт работы в области подшипников. Мы являемся китайским Серия 32300 Конический ролик производителем и предоставляем Индивидуальные Серия 32300 Конический ролик заводы. С 1999 года мы действуем как агент китайских производителей подшипников, экспортируя различные подшипники. Сегодня мы превратились в комплексную группу подшипников, интегрирующую продажи и производство.

Применение в отрасли

Подшипники также играют очень важную роль в сельскохозяйственной технике. Они используются для по...

Подшипники широко используются в автомобилях. Они являются ключевыми поддерживающими и вращающими...

Используется для поддержки, высоты, угла, соединения и вращающихся частей медицинского оборудован...

Используется для поддержки, вращения, моторных и компрессоров. Части бытовых приборов.

Используется для ротации и движения поддержки и направлять части оборудования для автоматизации

В конструкциях здания можно использовать подшипники для подключения различных структурных компоне...

В процессе производства продуктов питания и напитков необходимы насосы для транспортировки жидкос...

Подшипники используются в двигателях самолетов и космических кораблей для поддержки вращающихся к...

Новости и информация

Узнать больше

2026-04-30

Подшипники из нержавеющей стали: сравнение ржавчины, ме...
Подшипники из нержавеющей стали являются одними из наиболее широко используемых подшипниковых материалов в промышленных и потребительских товарах. Они обеспечивают хорошую коррозионную стойко...

2026-04-23

Инженерные стратегии оптимизации срока службы радиальны...
Shanghai Yinin Bearing & Transmission Company, основанная как промышленно-торговое интегрированное предприятие с 2016 года, специализируется на комплексном проектировании и производстве высококачес...

2026-04-15

Как выбрать правильный внутренний зазор для радиально-у...
Влияние высоких скоростей вращения на зазор подшипника Центробежная сила и тепловое расширение : В высокоскоростных приложениях внутреннее кольцо радиально-упорный двухрядный ш...

Связаться с нами

SUBMIT

Технический консалтинг

  • Компания Shanghai Yinin Bearing and Transmission Company

    Индивидуальные решения

  • Компания Shanghai Yinin Bearing and Transmission Company

    Непрерывные НИОКР

  • Компания Shanghai Yinin Bearing and Transmission Company

    Контроль качества

  • Компания Shanghai Yinin Bearing and Transmission Company

    Техническая поддержка и обучение

  • Компания Shanghai Yinin Bearing and Transmission Company

    Быстрый ответ

Если у вас есть какие-либо технические консультации или отзывы, мы предоставим вам самый профессиональный ответ как можно скорее!

Связаться с нами