33100 серия Конический ролик
33100 серия Конический ролик
33100 серия Конический ролик

33100 серия

Коплельный подшипник серии 33100-это высокопроизводительный подшипник, широко используемый в механическом оборудовании и обладает отличной грузоподъемностью и износостойкостью. Этот вид подшипника принимает коническую конструкцию ролика, которая может эффективно рассеивать нагрузку и адаптироваться к большим радиальным и осевым силам. Внутренние и внешние кольца и ролики подшипников серии 33100 точно обработаны для обеспечения хорошей посадки и низкой потери трения, продляя срок службы. Кроме того, запечатанная конструкция подшипника предотвращает вторжение пыли и примесей, обеспечивая надежность в суровых условиях. Он обычно используется в автомобильной, добыче, металлургии и других отраслях, и особенно подходит для тяжелой нагрузки и высокотемпературных условий труда. С помощью надлежащей смазки и технического обслуживания конусные роликовые подшипники серии 33100 могут обеспечить отличную производительность и стабильную эксплуатацию, отвечающие высоким требованиям для подшипников в современной промышленности. $.

Отправить запрос

Параметры продукта

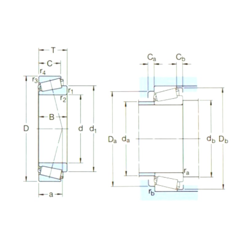
Обозначение Основные измерения (мм) Основные рейтинги нагрузки (KN) Пута Скорость рейтинга (обороты) Вес (кг) ISO335 Размеры (мм) Абатмент и измерения филе (мм) Ценить
Дюймовый1 D Беременный DУВ (CR) STC (COR) Скорость рейтинга Ограничивающая скорость Размеры (Абма) дюймовый D1 ~ Беременный C r1,2 (мин) 3,4 (мин) а да (макс) дБ (мин) DA (мин) Да (макс) ДБ (мин) CA (мин) CB (мин) ra (макс) RB (макс) эн Y Йо
33108/Q. 40 75 26 91,5 104 11,4 7000 9000 0,51 2ce 40 57,5 26 20,5 1,5 1,5 18 47 47 65 68 71 4 5,5 1,5 1,5 0,35 1,7 0,9
33109/Q. 45 80 26 96,5 114 12,9 6700 8000 0,56 3ce 45 62,7 26 20,5 1,5 1,5 19 52 52 69 73 77 4 5,5 1,5 1,5 0,37 1,6 0,9
33110/Q. 50 85 26 100 122 13,4 6000 7500 0,59 3ce 50 67,9 26 20 1,5 1,5 20 57 57 74 78 82 4 6 1,5 1,5 0,4 1,5 0,8
33111/Q. 55 95 30 110 156 17,6 5000 6700 0,86 3ce 55 75,1 30 23 1,5 1,5 22 63 62 83 88 91 5 7 1,5 1,5 0,37 1,6 0,9
33112/Q. 60 100 30 134 170 19,6 5300 6300 0,92 3ce 60 80,4 30 23 1,5 1,5 23 67 67 88 93 96 5 7 1,5 1,5 0,4 1,5 0,8
33113/Q. 65 110 34 142 208 24 4300 5600 1,30 3de 65 87,9 34 26,5 1,5 1,5 26 74 72 96 103 106 6 7,5 1,5 1,5 0,4 1,5 0,8
33114/Q. 70 120 37 172 250 30 4000 5300 1,70 3de 70 94,8 37 29 2 1,5 28 80 79 104 112 115 6 8 2 1,5 0,37 1,6 0,9
33115/Q. 75 125 37 176 265 31,5 3800 5000 1,80 3de 75 100 37 29 2 1,5 29 84 84 109 117 120 6 8 2 1,5 0,4 1,5 0,8
33116/Q. 80 130 37 179 280 32,5 3600 4800 1,90 3de 80 105 37 29 2 1,5 30 89 89 114 122 126 6 8 2 1,5 0,43 1,4 0,8
33116TN9/Q. 80 130 37 179 280 32,5 3600 4800 1,90 3de 80 105 37 29 2 1,5 30 89 89 114 122 126 6 8 2 1,5 0,43 1,4 0,8
33117/Q. 85 140 41 220 340 38 3400 4500 2,45 3de 85 112 41 32 2,5 2 32 95 95 122 130 135 7 9 2 2 0,4 1,5 0,8
33118/Q. 90 150 45 251 390 43 3000 4300 3,10 3de 90 120 45 35 2,5 2 35 101 101 130 140 144 7 10 2 2 0,4 1,5 0,8
33118TN9/Q. 90 150 45 251 390 43 3000 4300 3,10 3de 90 120 45 35 2,5 2 35 101 101 130 140 144 7 10 2 2 0,4 1,5 0,8
33122 110 180 56 369 630 67 2600 3400 5,55 3EE 110 146 56 43 2,5 2 44 121 121 155 170 174 9 13 2 2 0,43 1,4 0,8

О компании Yinin

Компания Shanghai Yinin Bearing and Transmission Company Основана в 2009 году, имеет более чем 20-летний опыт работы в области подшипников. Мы являемся китайским 33100 серия Конический ролик производителем и предоставляем Индивидуальные 33100 серия Конический ролик заводы. С 1999 года мы действуем как агент китайских производителей подшипников, экспортируя различные подшипники. Сегодня мы превратились в комплексную группу подшипников, интегрирующую продажи и производство.

Применение в отрасли

Подшипники также играют очень важную роль в сельскохозяйственной технике. Они используются для по...

Подшипники широко используются в автомобилях. Они являются ключевыми поддерживающими и вращающими...

Используется для поддержки, высоты, угла, соединения и вращающихся частей медицинского оборудован...

Используется для поддержки, вращения, моторных и компрессоров. Части бытовых приборов.

Используется для ротации и движения поддержки и направлять части оборудования для автоматизации

В конструкциях здания можно использовать подшипники для подключения различных структурных компоне...

В процессе производства продуктов питания и напитков необходимы насосы для транспортировки жидкос...

Подшипники используются в двигателях самолетов и космических кораблей для поддержки вращающихся к...

Новости и информация

Узнать больше

2026-02-26

Каковы критические различия между классами точности P6 ...
В мире высокоточной обработки с числовым программным управлением (ЧПУ) производительность 6000 шарикоподшипник имеет основополагающее значение для достижения субмикронной точности. В качеств...

2026-02-19

Технический анализ: каковы основные различия между ради...
В области высокоточного машиностроения выбор правильного материала для радиальные шарикоподшипники из нержавеющей стали – это решение, определяющее срок эксплуатации и безопасность вс...

2026-02-12

Необходим ли шарикоподшипник 6200 из нержавеющей стали ...
В области техники вращательного движения серия 6200 является одним из наиболее широко используемых радиальных шарикоподшипников благодаря своей универсальности и оптимизированной радиальной нагрузк...

Связаться с нами

SUBMIT

Технический консалтинг

  • Компания Shanghai Yinin Bearing and Transmission Company

    Индивидуальные решения

  • Компания Shanghai Yinin Bearing and Transmission Company

    Непрерывные НИОКР

  • Компания Shanghai Yinin Bearing and Transmission Company

    Контроль качества

  • Компания Shanghai Yinin Bearing and Transmission Company

    Техническая поддержка и обучение

  • Компания Shanghai Yinin Bearing and Transmission Company

    Быстрый ответ

Если у вас есть какие-либо технические консультации или отзывы, мы предоставим вам самый профессиональный ответ как можно скорее!

Связаться с нами