51200 серия Упорный шарикоподшипник
51200 серия Упорный шарикоподшипник
51200 серия Упорный шарикоподшипник

51200 серия

Подшипник шарикового шарика серии 51200 представляет собой подшипник, специально предназначенный для осевой нагрузки. Обычно он состоит из одной или нескольких сферов и двух расов. Этот вид подшипника в основном используется в приложениях, которые необходимо выдерживать большие осевые силы, такие как механическое оборудование, автомобили, аэрокосмические и другие поля. Шарики серии 51200 изготовлены из материалов с высоким содержанием жесткости, которые имеют хорошую износостойкость и прочность на сжатие и могут поддерживать стабильную производительность во время высокоскоростной работы. Он имеет компактную структуру и легко установить, что делает ее подходящим для использования в ограниченных пространствах. Благодаря превосходной производительности и надежности, 51200 серийных шариковых подшипников широко используются в промышленном производстве и ежедневном механизме. $

Отправить запрос

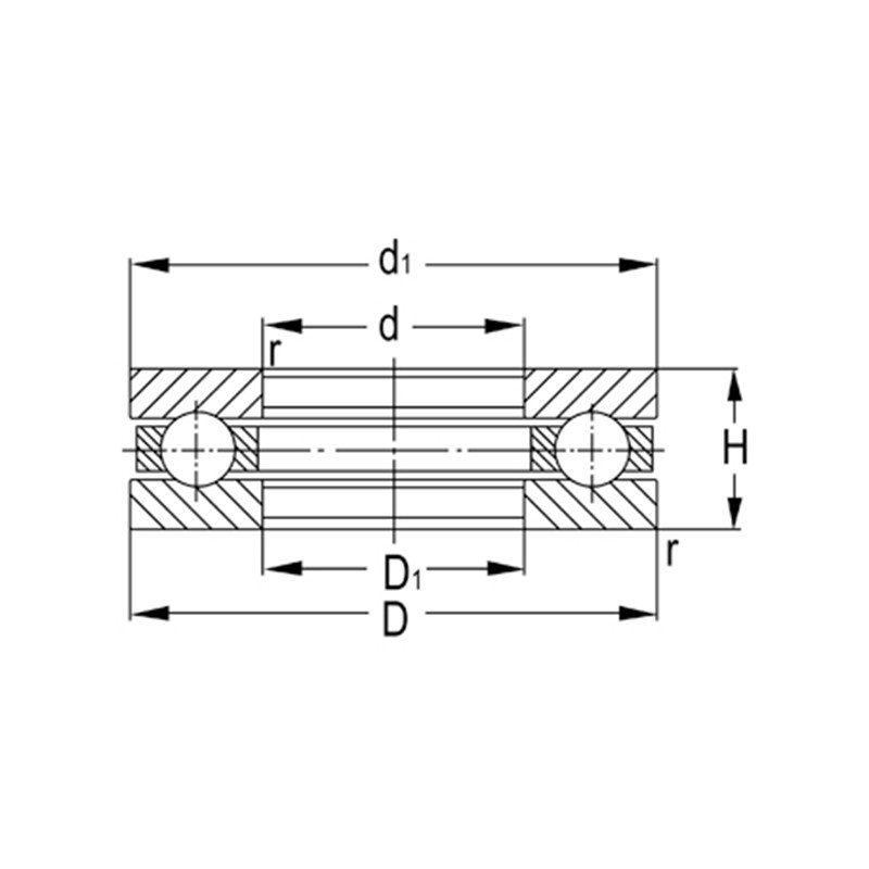
Параметры продукта

Обозначение Основные измерения (мм) Основные рейтинги нагрузки (КН) Ограниченная скорость (обороты) Масса
дюймовый Дюймовый Т Динамическая (CR) Статический (Кор) Смазка Масло (кг)
51203 17 35 12 17 27.2 4500 6300 0.048
51204 20 40 14 22.2 37.5 3800 5300 0.075
51205 25 47 15 27.8 50.5 3400 4800 0.11
51206 30 52 16 28 54.2 3200 4500 0.13
51207 35 62 18 39.2 78.2 2800 4000 0.21
51208 40 68 19 47 98.2 2400 3600 0.26
51209 45 73 20 47.8 105 2200 3400 0.3
51210 50 78 22 48.5 112 2000 3200 0.37
51211 55 90 25 67.5 158 1900 3000 0.58
51212 60 95 26 73.5 178 1800 2800 0.66
51213 65 100 27 74.8 188 1700 2600 0.72
51214 70 105 27 73.5 188 1600 2400 0.75
51215 75 110 27 74.8 198 1500 2200 0.82
51216 80 115 28 83.8 222 1400 2000 0.9
51217 85 125 31 102 280 1300 1900 1.21
51218 90 135 35 115 315 1200 1800 1.65
51220 100 150 38 132 375 1100 1700 2.21
51222 110 160 38 138 412 1000 1600 2.39

О компании Yinin

Компания Shanghai Yinin Bearing and Transmission Company Основана в 2009 году, имеет более чем 20-летний опыт работы в области подшипников. Мы являемся китайским 51200 серия Упорный шарикоподшипник производителем и предоставляем Индивидуальные 51200 серия Упорный шарикоподшипник заводы. С 1999 года мы действуем как агент китайских производителей подшипников, экспортируя различные подшипники. Сегодня мы превратились в комплексную группу подшипников, интегрирующую продажи и производство.

Применение в отрасли

Подшипники также играют очень важную роль в сельскохозяйственной технике. Они используются для по...

Подшипники широко используются в автомобилях. Они являются ключевыми поддерживающими и вращающими...

Используется для поддержки, высоты, угла, соединения и вращающихся частей медицинского оборудован...

Используется для поддержки, вращения, моторных и компрессоров. Части бытовых приборов.

Используется для ротации и движения поддержки и направлять части оборудования для автоматизации

В конструкциях здания можно использовать подшипники для подключения различных структурных компоне...

В процессе производства продуктов питания и напитков необходимы насосы для транспортировки жидкос...

Подшипники используются в двигателях самолетов и космических кораблей для поддержки вращающихся к...

Новости и информация

Узнать больше

2026-02-26

Каковы критические различия между классами точности P6 ...
В мире высокоточной обработки с числовым программным управлением (ЧПУ) производительность 6000 шарикоподшипник имеет основополагающее значение для достижения субмикронной точности. В качеств...

2026-02-19

Технический анализ: каковы основные различия между ради...
В области высокоточного машиностроения выбор правильного материала для радиальные шарикоподшипники из нержавеющей стали – это решение, определяющее срок эксплуатации и безопасность вс...

2026-02-12

Необходим ли шарикоподшипник 6200 из нержавеющей стали ...
В области техники вращательного движения серия 6200 является одним из наиболее широко используемых радиальных шарикоподшипников благодаря своей универсальности и оптимизированной радиальной нагрузк...

Связаться с нами

SUBMIT

Технический консалтинг

  • Компания Shanghai Yinin Bearing and Transmission Company

    Индивидуальные решения

  • Компания Shanghai Yinin Bearing and Transmission Company

    Непрерывные НИОКР

  • Компания Shanghai Yinin Bearing and Transmission Company

    Контроль качества

  • Компания Shanghai Yinin Bearing and Transmission Company

    Техническая поддержка и обучение

  • Компания Shanghai Yinin Bearing and Transmission Company

    Быстрый ответ

Если у вас есть какие-либо технические консультации или отзывы, мы предоставим вам самый профессиональный ответ как можно скорее!

Связаться с нами