29400 серия Упор сферический ролик
29400 серия Упор сферический ролик
29400 серия Упор сферический ролик

29400 серия

Сферический ролик серии 29400-это высокопроизводительный подшипник, специально предназначенный для выдержания тяжелых нагрузок и осевых сил. Он широко используется в металлургии, горнодобывающей промышленности, судостроительстве и индустрии тяжелой машины. Его структурная особенность заключается в том, что как внутренние, так и внешние кольца имеют сферическую конструкцию, что может эффективно адаптироваться к угловым смещению, вызванным ошибками установки или эксцентриситетом вала. Ролики этой серии подшипников являются цилиндрическими, обеспечивая большую площадь контакта и значительно улучшая несущую грузоподъемность и стабильность. В то же время подшипники серии 29400 имеют высокую износную стойкость и теплостойкость, обеспечивая надежность при длительной операции высокой нагрузки. Его основными преимуществами являются превосходная устойчивость к усталости и низкие характеристики шума, что делает его подходящим для использования в суровых условиях. Техническое обслуживание и смазка также относительно просты, дальнейшие снижения затрат на использование.

Отправить запрос

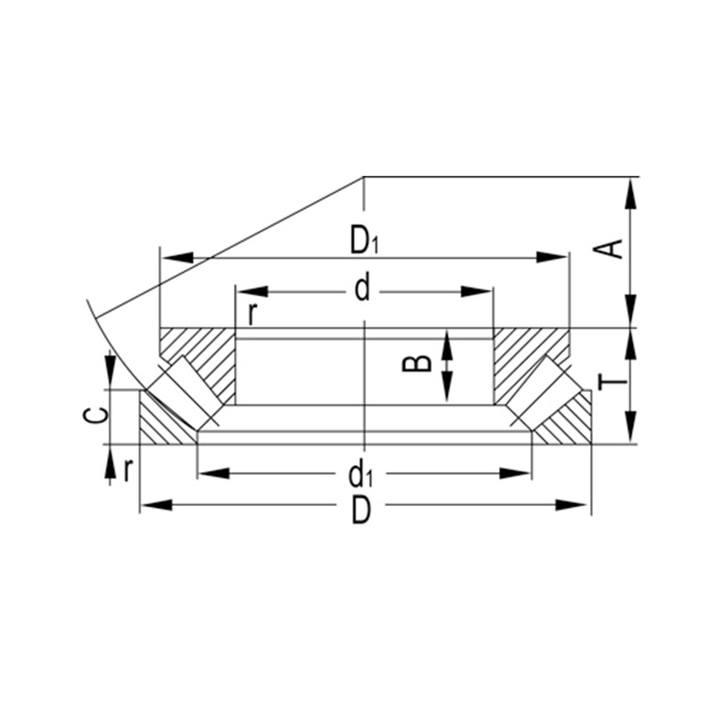
Параметры продукта

Обозначение Основные измерения (мм) Основные рейтинги нагрузки (КН) Ограниченная скорость (обороты) Масса
дюймовый Дюймовый Беременный Rs Min Динамическая (CR) Статический (Кор) Масло (кг)
29412 60 130 42 1.5 283 805 2600 2.78
29413 65 140 45 2 330 945 2400 3.44
29414 70 150 48 2 365 1040 2200 4.19
29415 75 160 51 2 415 1190 2100 5.07
29416 80 170 54 2.1 460 1380 1900 6.09
29417 85 180 58 2.1 490 1480 1800 7.2
29418 90 190 60 2.1 545 1680 1700 8.38
29420 100 210 67 3 685 2130 1500 11.5
29422 110 230 73 3 845 2620 1400 15
29424 120 250 78 4 975 3050 1300 18.6
29426 130 270 85 4 1080 3550 1200 23.7
29428 140 280 85 4 1110 3750 1200 25.2
29430 150 300 90 4 1280 4350 1100 30.5
29432 160 320 95 5 1500 5150 1000 37
29434 170 340 103 5 1660 5750 940 45
29436 180 360 109 5 1840 6200 890 52.9
29438 190 380 115 5 2010 6800 840 62
29440 200 400 122 5 2230 7650 790 73.3

О компании Yinin

Компания Shanghai Yinin Bearing and Transmission Company Основана в 2009 году, имеет более чем 20-летний опыт работы в области подшипников. Мы являемся китайским 29400 серия Упор сферический ролик производителем и предоставляем Индивидуальные 29400 серия Упор сферический ролик заводы. С 1999 года мы действуем как агент китайских производителей подшипников, экспортируя различные подшипники. Сегодня мы превратились в комплексную группу подшипников, интегрирующую продажи и производство.

Применение в отрасли

Подшипники также играют очень важную роль в сельскохозяйственной технике. Они используются для по...

Подшипники широко используются в автомобилях. Они являются ключевыми поддерживающими и вращающими...

Используется для поддержки, высоты, угла, соединения и вращающихся частей медицинского оборудован...

Используется для поддержки, вращения, моторных и компрессоров. Части бытовых приборов.

Используется для ротации и движения поддержки и направлять части оборудования для автоматизации

В конструкциях здания можно использовать подшипники для подключения различных структурных компоне...

В процессе производства продуктов питания и напитков необходимы насосы для транспортировки жидкос...

Подшипники используются в двигателях самолетов и космических кораблей для поддержки вращающихся к...

Новости и информация

Узнать больше

2026-03-26

Каковы структурные преимущества использования радиально...
В высокоточном машиностроении выбор между интегрированными компонентами и модульными сборками часто определяет предельную стабильность системы. Для вращательных применений, требующих высокой жестко...

2026-03-19

Почему ваш шарикоподшипник 6000 перегревается и как опт...
В области прецизионных вращающихся машин 6000 шарикоподшипник это универсальный компонент, популярный благодаря своей способности выдерживать как радиальные, так и осевые нагрузки при...

2026-03-12

Почему радиальные шарикоподшипники из пищевой нержавеющ...
В условиях производства продуктов питания и напитков, где ставки высоки, механическая надежность и биологическая безопасность неразделимы. Выбор радиальные шарикоподшипники из нержавеющей стали...

Связаться с нами

SUBMIT

Технический консалтинг

  • Компания Shanghai Yinin Bearing and Transmission Company

    Индивидуальные решения

  • Компания Shanghai Yinin Bearing and Transmission Company

    Непрерывные НИОКР

  • Компания Shanghai Yinin Bearing and Transmission Company

    Контроль качества

  • Компания Shanghai Yinin Bearing and Transmission Company

    Техническая поддержка и обучение

  • Компания Shanghai Yinin Bearing and Transmission Company

    Быстрый ответ

Если у вас есть какие-либо технические консультации или отзывы, мы предоставим вам самый профессиональный ответ как можно скорее!

Связаться с нами