W Series Трековые роликовые подшипники
W Series Трековые роликовые подшипники
W Series Трековые роликовые подшипники

W Series

Орбитальные роликовые подшипники серии W представляют собой точные подшипники, специально предназначенные для выдержания высоких нагрузок и экстремальных условий работы. Они широко используются в железных дорогах, добыче полезных ископаемых и тяжелой технике и в других областях. Основной особенностью такого рода подшипника является использование роликов в качестве элементов катания. По сравнению с традиционными шариковыми подшипниками ролики могут обеспечить большую площадь контакта, тем самым повышая грузоподъемность и лучшую устойчивость к деформации. Орбитальные роликовые подшипники серии W, как правило, изготовлены из высокопрочной стали, а поверхность специально обрабатывала, чтобы иметь хорошую износостойкость и коррозионную стойкость. Кроме того, они предназначены для снижения трения и шума, повышения эффективности работы и продления срока службы. Диверсифицированный дизайн продуктов серии W позволяет им адаптироваться к потребностям различных рабочих сред и обеспечивать эффективную и стабильную работу оборудования.

Отправить запрос

Параметры продукта

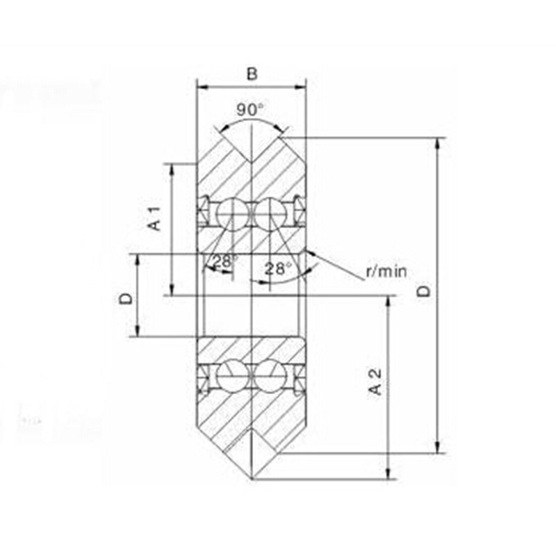
Тип Размеры (мм) Часка (r/min) Нагрузка (кН)
дюймовый Дюймовый Беременный А1 A2
W0 4 14.84 6.35 5.94 9.12 0.3 1
W0X 4 14.84 6.35 5.94 9.12 0.3 1
W1 4.763 19.56 7.87 7.9. 11.86 0.3 2.2
W1X 4.763 19.56 7.87 7.93 11.86 0.3 2.2
W2 9.525 30.73 11.1 12.7 18.24 0.3 4.9
W2X 9.525 30.73 11.1 12.7 18.24 0.3 4.9
W3 12 45.72 15.88 19.05 26.98 0.6 9.4
W3X 12 45.72 15.88 19.05 26.98 0.6 9.4
W4 15 59.94 19.05 25.4 34.93 1 14.8
W4X 15 59.94 19.05 25.4 34.93 1 14.8
W4XL 22 75.39 25.4 31.75 44.45 1.1 20.6
W4XXL 22 75.39 25.4 31.75 44.45 1.1 20.6
W1SSX 4.763 19.56 7.87 7.93 11.86 0.3 2.2
W2SSX 9.525 30.73 11.1 12.7 18.24 0.3 4.9
W3SSX 12 45.72 15.88 19.05 26.98 0.6 9.4
W4SSX 15 59.94 19.05 25.4 34.93 1 14.8

О компании Yinin

Компания Shanghai Yinin Bearing and Transmission Company Основана в 2009 году, имеет более чем 20-летний опыт работы в области подшипников. Мы являемся китайским W Series Трековые роликовые подшипники производителем и предоставляем Индивидуальные W Series Трековые роликовые подшипники заводы. С 1999 года мы действуем как агент китайских производителей подшипников, экспортируя различные подшипники. Сегодня мы превратились в комплексную группу подшипников, интегрирующую продажи и производство.

Применение в отрасли

Подшипники также играют очень важную роль в сельскохозяйственной технике. Они используются для по...

Подшипники широко используются в автомобилях. Они являются ключевыми поддерживающими и вращающими...

Используется для поддержки, высоты, угла, соединения и вращающихся частей медицинского оборудован...

Используется для поддержки, вращения, моторных и компрессоров. Части бытовых приборов.

Используется для ротации и движения поддержки и направлять части оборудования для автоматизации

В конструкциях здания можно использовать подшипники для подключения различных структурных компоне...

В процессе производства продуктов питания и напитков необходимы насосы для транспортировки жидкос...

Подшипники используются в двигателях самолетов и космических кораблей для поддержки вращающихся к...

Новости и информация

Узнать больше

2026-02-26

Каковы критические различия между классами точности P6 ...
В мире высокоточной обработки с числовым программным управлением (ЧПУ) производительность 6000 шарикоподшипник имеет основополагающее значение для достижения субмикронной точности. В качеств...

2026-02-19

Технический анализ: каковы основные различия между ради...
В области высокоточного машиностроения выбор правильного материала для радиальные шарикоподшипники из нержавеющей стали – это решение, определяющее срок эксплуатации и безопасность вс...

2026-02-12

Необходим ли шарикоподшипник 6200 из нержавеющей стали ...
В области техники вращательного движения серия 6200 является одним из наиболее широко используемых радиальных шарикоподшипников благодаря своей универсальности и оптимизированной радиальной нагрузк...

Связаться с нами

SUBMIT

Технический консалтинг

  • Компания Shanghai Yinin Bearing and Transmission Company

    Индивидуальные решения

  • Компания Shanghai Yinin Bearing and Transmission Company

    Непрерывные НИОКР

  • Компания Shanghai Yinin Bearing and Transmission Company

    Контроль качества

  • Компания Shanghai Yinin Bearing and Transmission Company

    Техническая поддержка и обучение

  • Компания Shanghai Yinin Bearing and Transmission Company

    Быстрый ответ

Если у вас есть какие-либо технические консультации или отзывы, мы предоставим вам самый профессиональный ответ как можно скорее!

Связаться с нами